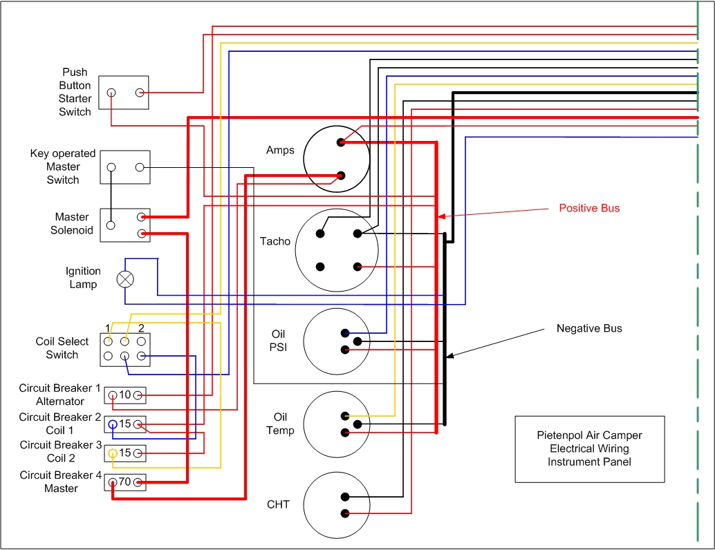
The following images are of the engine electrical system as designed. It is installed on the engine test stand at present. The Visio file can be found here.
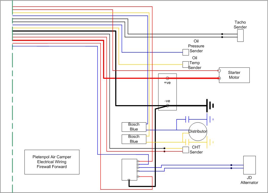
The following images are of the engine electrical system as designed. It is installed on the engine test stand at present. The Visio file can be found here.